電機耐電壓試驗注意事項。
內容簡介:耐電壓試驗對電機繞組因積累效應會有不同程度的損傷,一般不進行重復試驗。必須試驗時,應降至首次試驗電壓的80%進行。為排除電機受潮等因素,在耐電壓前應通過烘干及絕緣電阻檢測手段確保電機處正常狀態。
耐壓試驗的專業術語為介電強度試驗(以下簡稱耐壓試驗),是電機產品的一個重要檢查項目,對于大多數電機生產廠家會在電工半成品和檢查試驗兩個環節進行該項目的檢查,但因被測試對象狀態的不一致性,兩個環節所施加的電壓峰值有所區別。
耐壓試驗因所加電壓有交流和直流之分,所以又分成耐交流電壓試驗和耐直流電壓試驗兩種,兩者不能相互代替。對于中小型電機,如無特殊說明,可理解為只要求進行耐交流電壓試驗。限于篇幅限制,本文只對耐交流電壓試驗進行簡述。
對新繞組首次試驗
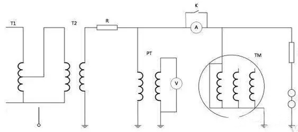
試驗設備采用專用的耐電壓試驗儀,儀器的選擇應按照實測電機的規格選擇,試驗方法、試驗峰值及相關的注意事項包括:
升壓變壓器的高壓輸出端接被試繞組,低壓端接地。測試現場的接地線必須定期檢查,預防因接地不良導致事故。
被測試電機外殼(或鐵心)以及未加高壓的繞組都應可靠接地。
試驗加壓時間分為1min和1s兩種;對于電機成品按1min方法耐壓試驗,電壓值按GB755具體的規定值。
對于電機定子和繞線電機轉子半成品,應較整機產品有所增加,具體在產品的技術條件中有規定。
為防止被試繞組儲存電荷放電擊傷試驗人員,試驗完畢,要將被試繞組對地放電方可拆下接線,這一點對較大容量的電機尤為必要。
成品電機耐電壓試驗施壓峰值
該規定不包括直流電機、同步電機、非永久短路的異步電機(或同步感應電機轉子)、勵磁電機及電機與裝置的成套組合。
額定功率不超過1kW,且額定電壓不超過100V的電機,試驗壓值按式(1)。
U試驗=2UN+500…………………(1)
式(1)中:
U試驗—電機耐壓試加電壓峰值,單位V;
UN—電機的額定電壓,單位V。
額定功率小于10000kW的旋轉電機,試驗壓值按式(2),但最低不能低于1500V;式中代號同式(1)。
U試驗=2UN+1000…………………(2)
額定功率不小于10000kW,且額定電壓不超過24kV的旋轉電機,試驗壓值按式(3),式中代號同式(1)。
U試驗=2UN+1000…………………(3)
額定功率不小于10000kW,且額定電壓大于24kV的旋轉電機,試驗電壓值按協議規定。
不同試驗方法下施加電壓的規定
1min方法試驗時,加電壓應從不超過試驗電壓的一半開始,然后均勻地或每步不超過全值的5%逐步升至全值,這一過程所用時間應不少于10s。加壓達到lmin再逐漸將電壓降至試驗電壓的一半以后才允許關斷電源。該要求在電壓測試儀中實現,電機廠家無需再進行設定。
1s的方法僅限于批量生產的額定功率≤200kW,額定電壓UN≤lkV的電機;采用該方法試驗時,試驗電壓要高于lmin方法規定值的20%,即1min試驗方法施壓值的1.2倍。
重復耐壓試驗及修理電機耐壓要求
耐電壓試驗對電機繞組因積累效應會有不同程度的損傷,一般不進行重復試驗。必須試驗時,應降至首次試驗電壓的80%進行。為排除電機受潮等因素,在耐電壓前應通過烘干及絕緣電阻檢測手段確保電機處正常狀態。
對于修理電機,若為全新繞組,則可以按新繞組測試施加電壓,如果為局部修理繞組,施加電壓按新繞組的75%執行。
轉載請說明來自西安泰富西瑪電機(西安西瑪電機集團股份有限公司)官方網站:http://www.hndsy.cn/zixun/dianjibaike201.html
耐壓試驗因所加電壓有交流和直流之分,所以又分成耐交流電壓試驗和耐直流電壓試驗兩種,兩者不能相互代替。對于中小型電機,如無特殊說明,可理解為只要求進行耐交流電壓試驗。限于篇幅限制,本文只對耐交流電壓試驗進行簡述。
對新繞組首次試驗
試驗設備采用專用的耐電壓試驗儀,儀器的選擇應按照實測電機的規格選擇,試驗方法、試驗峰值及相關的注意事項包括:
升壓變壓器的高壓輸出端接被試繞組,低壓端接地。測試現場的接地線必須定期檢查,預防因接地不良導致事故。
被測試電機外殼(或鐵心)以及未加高壓的繞組都應可靠接地。
試驗加壓時間分為1min和1s兩種;對于電機成品按1min方法耐壓試驗,電壓值按GB755具體的規定值。
對于電機定子和繞線電機轉子半成品,應較整機產品有所增加,具體在產品的技術條件中有規定。
為防止被試繞組儲存電荷放電擊傷試驗人員,試驗完畢,要將被試繞組對地放電方可拆下接線,這一點對較大容量的電機尤為必要。
成品電機耐電壓試驗施壓峰值
該規定不包括直流電機、同步電機、非永久短路的異步電機(或同步感應電機轉子)、勵磁電機及電機與裝置的成套組合。
額定功率不超過1kW,且額定電壓不超過100V的電機,試驗壓值按式(1)。
U試驗=2UN+500…………………(1)
式(1)中:
U試驗—電機耐壓試加電壓峰值,單位V;
UN—電機的額定電壓,單位V。
額定功率小于10000kW的旋轉電機,試驗壓值按式(2),但最低不能低于1500V;式中代號同式(1)。
U試驗=2UN+1000…………………(2)
額定功率不小于10000kW,且額定電壓不超過24kV的旋轉電機,試驗壓值按式(3),式中代號同式(1)。
U試驗=2UN+1000…………………(3)
額定功率不小于10000kW,且額定電壓大于24kV的旋轉電機,試驗電壓值按協議規定。
不同試驗方法下施加電壓的規定
1min方法試驗時,加電壓應從不超過試驗電壓的一半開始,然后均勻地或每步不超過全值的5%逐步升至全值,這一過程所用時間應不少于10s。加壓達到lmin再逐漸將電壓降至試驗電壓的一半以后才允許關斷電源。該要求在電壓測試儀中實現,電機廠家無需再進行設定。
1s的方法僅限于批量生產的額定功率≤200kW,額定電壓UN≤lkV的電機;采用該方法試驗時,試驗電壓要高于lmin方法規定值的20%,即1min試驗方法施壓值的1.2倍。
重復耐壓試驗及修理電機耐壓要求
耐電壓試驗對電機繞組因積累效應會有不同程度的損傷,一般不進行重復試驗。必須試驗時,應降至首次試驗電壓的80%進行。為排除電機受潮等因素,在耐電壓前應通過烘干及絕緣電阻檢測手段確保電機處正常狀態。
對于修理電機,若為全新繞組,則可以按新繞組測試施加電壓,如果為局部修理繞組,施加電壓按新繞組的75%執行。
轉載請說明來自西安泰富西瑪電機(西安西瑪電機集團股份有限公司)官方網站:http://www.hndsy.cn/zixun/dianjibaike201.html
以上內容由西安泰富西瑪電機(西安西瑪電機集團股份有限公司)網絡編輯部收集整理發布,僅為傳播更多電機行業相關資訊及電機相關知識,僅供網友、用戶、及廣大經銷商參考之用,不代表西安泰富西瑪電機同意或默認以上內容的正確性和有效性。讀者根據本文內容所進行的任何商業行為,西安泰富西瑪電機不承擔任何連帶責任。如果以上內容不實或侵犯了您的知識產權,請及時與我們聯系,西安泰富西瑪電機網絡部將及時予以修正或刪除相關信息。
- 上一篇: 各類電機位置編碼器及接口電磁兼容。
- 下一篇: 電機風罩的工作原理及其用途。
他們還瀏覽了...
- 2022-7-3電機風罩的工作原理及其用途。
- 2022-5-14高效節能電機過熱原因分析
- 2022-4-17多大功率的電機才需要降壓啟動?
- 2022-4-10如何看懂電機的型號?
- 2022-4-10電機維修期間應考慮什么?
- 2018-5-16各類電機位置編碼器及接口電磁兼容。
- 2018-5-15異步電動機如何實現節能降耗。
- 2018-5-14電機對地絕緣和相間絕緣。
- 2018-5-11步進電機和異步電機在設計上的區別。
- 2018-5-9用于電機性能分析的三種圖表。
行業資訊
電機風罩的工作原理及其用途。
高壓電機軸磨損維修的詳細流程
三相異步電動機安裝步驟以及西瑪電機的故障檢查
西瑪電機接線中最常見的幾種錯誤
綠色發展可以幫助電機廠家解決利潤問題
高效節能電機過熱原因分析
需要更換高效節能的電機的必要性分析!
西安西瑪電機頻率和速度之間的數學關系
高壓電機軸磨損維修的詳細流程
三相異步電動機安裝步驟以及西瑪電機的故障檢查
西瑪電機接線中最常見的幾種錯誤
綠色發展可以幫助電機廠家解決利潤問題
高效節能電機過熱原因分析
需要更換高效節能的電機的必要性分析!
西安西瑪電機頻率和速度之間的數學關系
西安西瑪電機舉辦“迎國慶”員工趣味運動項目比
關于西安西瑪電機的工作制,大家了解一下。
西安西瑪電機工會慶祝3月8日的評選頒獎活動。
西安西瑪電機向在抗擊疫情前線的工作人員們致敬
西安西瑪電機職工安全生產知識宣傳教育工作全面
西安泰富西瑪電機亮相第27屆中國西部國際裝備
西安泰富西瑪電機將高效節能三相異步電動機作為
西安西瑪電機始終堅持誠信銷售的理念。
關于西安西瑪電機的工作制,大家了解一下。
西安西瑪電機工會慶祝3月8日的評選頒獎活動。
西安西瑪電機向在抗擊疫情前線的工作人員們致敬
西安西瑪電機職工安全生產知識宣傳教育工作全面
西安泰富西瑪電機亮相第27屆中國西部國際裝備
西安泰富西瑪電機將高效節能三相異步電動機作為
西安西瑪電機始終堅持誠信銷售的理念。
泰富西瑪電機
配套電柜
電機配件
YKK系列高壓三相異步電機西安泰富西瑪YKK系列(H355-1000)高壓三相異步電機可作驅動
Y2系列緊湊型高壓異步電機西安泰富西瑪?Y2系列(H355-560)6KV緊湊型高壓異步電機可
YE3系列高效節能電機西安泰富西瑪電機生產的YE3系列高效節能電機達到了國標二級能效標準,
Z4系列直流電機西安泰富西瑪Z4系列直流電動機比Z2、Z3系列具有更大的優越性,它不
Z2系列小型直流電機西安泰富西瑪Z2系列電機為一般工業用小型直流電機,其電動機適用于恒功
ZTP型鐵路機車動車用直流輔助西安泰富西瑪ZTP系列西瑪電機應能滿足鐵路機車動車用直流輔助電機通用



西安西瑪電機緊跟電機行業的發展趨勢,了解電機市場動態,制定出西瑪電機的發展規劃,穩步前行。
隨著國家節能減排的積極推行,新能源汽車產業快速增長及高效節能電機補貼政策的逐步落實,高效節能電機業將迎來爆發式的增長。
西瑪電機售后維修業務有:軸料加工件、鋼板切割、焊接件、高壓機殼、冷卻器、上下罩、高、低壓交直流電機;國內、外電機的修理、維護和試驗。
質量為本,用戶至上”是我公司一貫宗旨?!罢\心、貼心、傾心、西瑪永遠用心”的“三心”服務理念。
西安泰富西瑪電機(西安西瑪電機集團股份有限公司)是國內九大的電機供應商之一,產品包括各種高低壓、交直流、高壓同步電機等。
















