直流電機短路試驗方法。
內容簡介:將被試直流電機按空載發電機方式運行,勵磁電源的極性與前相同,用電壓表測電樞兩端電壓的極性,然后停機將串勵的正端與空載發電機電壓的負端相連接,此時串勵繞組即為反向接入。
由于直流電機在短路運行時的自勵作用,將使電樞電流達到很大數值,可能使電機受到損害。為保證電機可靠運行及穩定的調節,必須對直流電機進行短路試驗,下面本文根據國標規定的直流電機試驗方法對直流電機短路試驗進行介紹。
一具有串勵繞組的電機在發電機方式下的短路試驗方法直流電機接成他勵,串勵繞組反向接入(差復勵)。用感應法檢查其極性,在電機靜止時,主極繞組中交替地接通、斷開勵磁電流(應不超過額定值的20%),用直流電壓表在串勵繞組兩端測量其感應電勢的極性(圖1a),如在接通勵磁電流瞬時串勵繞組中的感應電勢使電壓表正向偏轉,則主極繞組中接通電源正端和串勵繞組中接電壓表的正端為同極性。
將被試直流電機按空載發電機方式運行,勵磁電源的極性與前相同,用電壓表測電樞兩端電壓的極性,然后停機將串勵的正端與空載發電機電壓的負端相連接,此時串勵繞組即為反向接入(圖1b)。

圖1 a(左)及圖1b(右):具有串勵繞組的電機在發電機方式下的短路方法電路原理圖
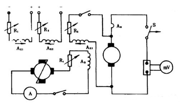
二在發電機方式下用功率擴大機控制勵磁的短路試驗方法

圖2:發電機方式下用功率擴大機控制勵磁的短路方法電路原理圖
Ak1——控制繞組,擴大機的主勵磁繞組;Ak2——控制繞組,由于擴大機剩磁電壓較高,用以減小其剩磁;Ak3——控制繞組,用以抑制自勵作用
在發電機方式下用功率擴大機控制勵磁的短路方法試驗原理圖如上圖2所示,按照圖2所示負載試驗時R4應短接。
如果沒有功率擴大機,可用復勵直流發電機代替,將其串勵繞組代替Ak3,接成差復勵,或者用兩臺串聯(其電勢方向相反)的勵磁機供被試電機勵磁(如圖3所示)。

圖3:兩臺串聯勵磁機勵磁方式電路原理圖
三臨時纏繞串勵繞組的短路試驗方法
在主極上臨時纏繞一個串勵繞組,其極性仍用感應法確定(圖4)。

圖4:臨時纏繞串勵繞組的短路試驗方法電路原理圖
四將一半主極繞組反接的短路試驗方法
將并勵或串勵(對串勵電機)繞組分成相同的兩組,一組他勵(為防止剩磁電壓使發電機短路時沖擊電流太大,勵磁方法應與剩磁方向相反),另一組則并聯在電樞兩端(圖5)。

圖5:將一半主極繞組反接的短路試驗方法電路原理圖
上述四種方法,不但在直流電機方式下短路時是必需的,而且在大功率的直流電機作負載試驗時,為使其安全可靠地調節,穩定地運行,也是常采用的,第一種和第三種短路試驗方法適用于回饋運行時的輔助電機,第二種短路試驗方法適用于被試電機及輔助電機。
轉載請說明來自西安泰富西瑪電機(西安西瑪電機集團股份有限公司)官方網站:http://www.hndsy.cn/zixun/dianjibaike261.html
以上內容由西安泰富西瑪電機(西安西瑪電機集團股份有限公司)網絡編輯部收集整理發布,僅為傳播更多電機行業相關資訊及電機相關知識,僅供網友、用戶、及廣大經銷商參考之用,不代表西安泰富西瑪電機同意或默認以上內容的正確性和有效性。讀者根據本文內容所進行的任何商業行為,西安泰富西瑪電機不承擔任何連帶責任。如果以上內容不實或侵犯了您的知識產權,請及時與我們聯系,西安泰富西瑪電機網絡部將及時予以修正或刪除相關信息。
- 上一篇: 直流電機電刷的主要失效機理。
- 下一篇: 電機風罩的工作原理及其用途。
他們還瀏覽了...
- 2022-7-3電機風罩的工作原理及其用途。
- 2022-5-14高效節能電機過熱原因分析
- 2022-4-17多大功率的電機才需要降壓啟動?
- 2022-4-10如何看懂電機的型號?
- 2022-4-10電機維修期間應考慮什么?
- 2018-7-25直流電機電刷的主要失效機理。
- 2018-7-24線圈質量與高壓電機壽命。
- 2018-7-24高壓電機繞組槽部電暈的電腐蝕的起因及其防范。
- 2018-7-16電機制造工藝對電機質量的影響。
- 2018-7-13交流高壓電機定子成型線圈試驗知識。
行業資訊
電機風罩的工作原理及其用途。
高壓電機軸磨損維修的詳細流程
三相異步電動機安裝步驟以及西瑪電機的故障檢查
西瑪電機接線中最常見的幾種錯誤
綠色發展可以幫助電機廠家解決利潤問題
高效節能電機過熱原因分析
需要更換高效節能的電機的必要性分析!
西安西瑪電機頻率和速度之間的數學關系
高壓電機軸磨損維修的詳細流程
三相異步電動機安裝步驟以及西瑪電機的故障檢查
西瑪電機接線中最常見的幾種錯誤
綠色發展可以幫助電機廠家解決利潤問題
高效節能電機過熱原因分析
需要更換高效節能的電機的必要性分析!
西安西瑪電機頻率和速度之間的數學關系
西安西瑪電機舉辦“迎國慶”員工趣味運動項目比
關于西安西瑪電機的工作制,大家了解一下。
西安西瑪電機工會慶祝3月8日的評選頒獎活動。
西安西瑪電機向在抗擊疫情前線的工作人員們致敬
西安西瑪電機職工安全生產知識宣傳教育工作全面
西安泰富西瑪電機亮相第27屆中國西部國際裝備
西安泰富西瑪電機將高效節能三相異步電動機作為
西安西瑪電機始終堅持誠信銷售的理念。
關于西安西瑪電機的工作制,大家了解一下。
西安西瑪電機工會慶祝3月8日的評選頒獎活動。
西安西瑪電機向在抗擊疫情前線的工作人員們致敬
西安西瑪電機職工安全生產知識宣傳教育工作全面
西安泰富西瑪電機亮相第27屆中國西部國際裝備
西安泰富西瑪電機將高效節能三相異步電動機作為
西安西瑪電機始終堅持誠信銷售的理念。
泰富西瑪電機
配套電柜
電機配件
YKK系列高壓三相異步電機西安泰富西瑪YKK系列(H355-1000)高壓三相異步電機可作驅動
Y2系列緊湊型高壓異步電機西安泰富西瑪?Y2系列(H355-560)6KV緊湊型高壓異步電機可
YE3系列高效節能電機西安泰富西瑪電機生產的YE3系列高效節能電機達到了國標二級能效標準,
Z4系列直流電機西安泰富西瑪Z4系列直流電動機比Z2、Z3系列具有更大的優越性,它不
Z2系列小型直流電機西安泰富西瑪Z2系列電機為一般工業用小型直流電機,其電動機適用于恒功
ZTP型鐵路機車動車用直流輔助西安泰富西瑪ZTP系列西瑪電機應能滿足鐵路機車動車用直流輔助電機通用



西安西瑪電機緊跟電機行業的發展趨勢,了解電機市場動態,制定出西瑪電機的發展規劃,穩步前行。
隨著國家節能減排的積極推行,新能源汽車產業快速增長及高效節能電機補貼政策的逐步落實,高效節能電機業將迎來爆發式的增長。
西瑪電機售后維修業務有:軸料加工件、鋼板切割、焊接件、高壓機殼、冷卻器、上下罩、高、低壓交直流電機;國內、外電機的修理、維護和試驗。
質量為本,用戶至上”是我公司一貫宗旨。“誠心、貼心、傾心、西瑪永遠用心”的“三心”服務理念。
西安泰富西瑪電機(西安西瑪電機集團股份有限公司)是國內九大的電機供應商之一,產品包括各種高低壓、交直流、高壓同步電機等。














